Βίδες άλλεν DIN 7991 10.9 μαύρες 03 x 040/040
Βίδες άλλεν (αγγλ. allen bolts) μαύρες, με φρεζάτο κεφάλι κατά DIN 7991, ποιότητας 10.9. Είναι βίδες που χρησιμοποιούνται συνήθως σε μηχανουργικές εργασίες.
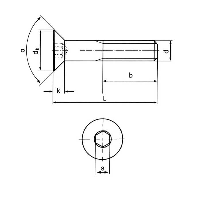
Στον παρακάτω πίνακα φαίνονται οι διαστάσεις:
| d (mm) | 3 | 4 | 5 | 6 | 8 | 10 | 12 | 14 | 16 | 20 | 24 |
| σπείρωμα | 0.5 | 0.7 | 0.8 | 1 | 1.25 | 1.5 | 1.75 | 2 | 2 | 2.5 | 3 |
| k max (mm) | 1.7 | 2.3 | 2.8 | 3.3 | 4.4 | 5.5 | 6.5 | 7 | 7.5 | 8.5 | 14 |
| dk | 6 | 8 | 10 | 12 | 16 | 20 | 24 | 27 | 30 | 36 | 39 |
| s (mm) | 2 | 2.5 | 3 | 4 | 5 | 6 | 8 | 10 | 10 | 12 | 14 |
| α | 90° | 90° | 90° | 90° | 90° | 90° | 90° | 90° | 90° | 90° | 90° |
| b (L<=125) | 12 | 14 | 16 | 18 | 22 | 26 | 30 | 34 | 36 | 46 | 54 |
| b (125<L<=200) | 24 | 28 | 32 | 36 | 40 | 44 | 52 | 60 |
(Allen bolts DIN 7991 10.9.)
Επιπλέον, προσφέρεται έκπτωση 25% για αγορά ενός κουτιού και 30% για αγορά πέντε κουτιών (τα τεμάχια ανά κουτί ποικίλουν ανά διάσταση). Εάν επιθυμείτε μεγάλες ποσότητες, επικοινωνήστε μαζί μας για επιπλέον εκπτώσεις.







