Βίδες άλλεν DIN 912 12.9 μαύρες 14 x 040
Βίδες άλλεν (αγγλ. allen bolts) μαύρες (όχι βαμμένες), με κανονικό κεφάλι (στρογγυλό) κατά DIN 912 ποιότητας 12.9. Είναι βίδες που χρησιμοποιούνται συνήθως σε μηχανουργικές εργασίες.
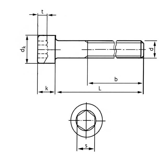
Στον παρακάτω πίνακα φαίνονται οι διαστάσεις:
| d (mm) | 2 | 2.5 | 3 | 4 | 5 | 6 | 8 | 10 | 12 | 14 | 16 | 18 |
| σπείρωμα | 0.4 | 0.45 | 0.5 | 0.7 | 0.8 | 1 | 1.25 | 1.5 | 1.75 | 2 | 2 | 2.5 |
| k max (mm) | 2.0 | 2.4 | 3.0 | 4.0 | 5.0 | 6.0 | 8.0 | 10.0 | 12.0 | 14.0 | 16.0 | 18 |
| dk (mm) | 3.8 | 4.5 | 5.5 | 7 | 8.5 | 10 | 13 | 16 | 18 | 21 | 24 | 27 |
| s (mm) | 1.5 | 2 | 2.5 | 3 | 4 | 5 | 6 | 8 | 10 | 12 | 14 | 14 |
| t min (mm) | 1 | 1.1 | 1.3 | 2 | 2.5 | 3 | 4 | 5 | 6 | 7 | 8 | 9 |
| b (mm) | 16 | 17 | 18 | 20 | 22 | 24 | 28 | 32 | 36 | 40 | 44 | 48 |
| d (mm) | 20 | 22 | 24 | 27 | 30 | 33 | 36 | 42 | 48 | |||
| σπείρωμα | 2.5 | 2.5 | 3 | 3 | 3.5 | 3.5 | 4 | 4.5 | 5.0 | |||
| k max (mm) | 20 | 22 | 24 | 27 | 30 | 33 | 36 | 42 | 48 | |||
| dk (mm) | 30 | 33 | 36 | 40 | 45 | 50 | 54 | 63 | 72 | |||
| s (mm) | 17 | 17 | 19 | 19 | 22 | 24 | 27 | 32 | 36 | |||
| t min (mm) | 10 | 11 | 12 | 13.5 | 15.5 | 18 | 19 | 24 | 28 | |||
| b (mm) | 52 | 56 | 60 | 66 | 72 | 78 | 84 | 96 | 108 | |||
(Allen bolts 912 12.9.)
Επιπλέον, προσφέρεται έκπτωση 25% για αγορά ενός κουτιού και 30% για αγορά πέντε κουτιών (τα τεμάχια ανά κουτί ποικίλουν ανά διάσταση). Εάν επιθυμείτε μεγάλες ποσότητες, επικοινωνήστε μαζί μας για επιπλέον εκπτώσεις.







